遞進式分配器工作原理
瀏覽:
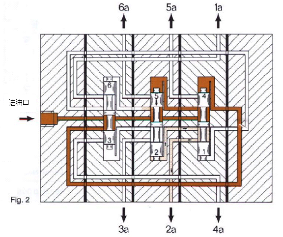
從以上的工作原理可以看出,分配器內活塞的運動過程是循序的、遞進的,即活塞動作一個接著一個,只要前面的活塞未完成動作,后面的活塞就無法動作,就會導致分配器的動作循環的終止。
因此在活塞上裝上運動指示桿后,分配器正常動作過程中,指示桿將伸出、縮回,來回運動,通過目測指示桿的就能知道分配器的工作狀況。分配器上還可以安裝用來檢測活塞運動狀況的接近開關,通過此開關發出電信號的情況來監測分配器的動作循環過程。接近開關還能檢測分配器工作循環的次數,將此信號引入控制器后,能方便的實現自動控制功能。
由于遞進式分配器具有以上功能,因此由此類分配器組成的單線遞進式潤滑系統不僅工作十分可靠,而且系統的檢測也十分簡單和方便。












